
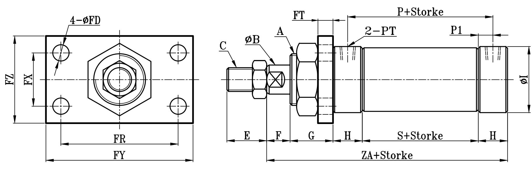
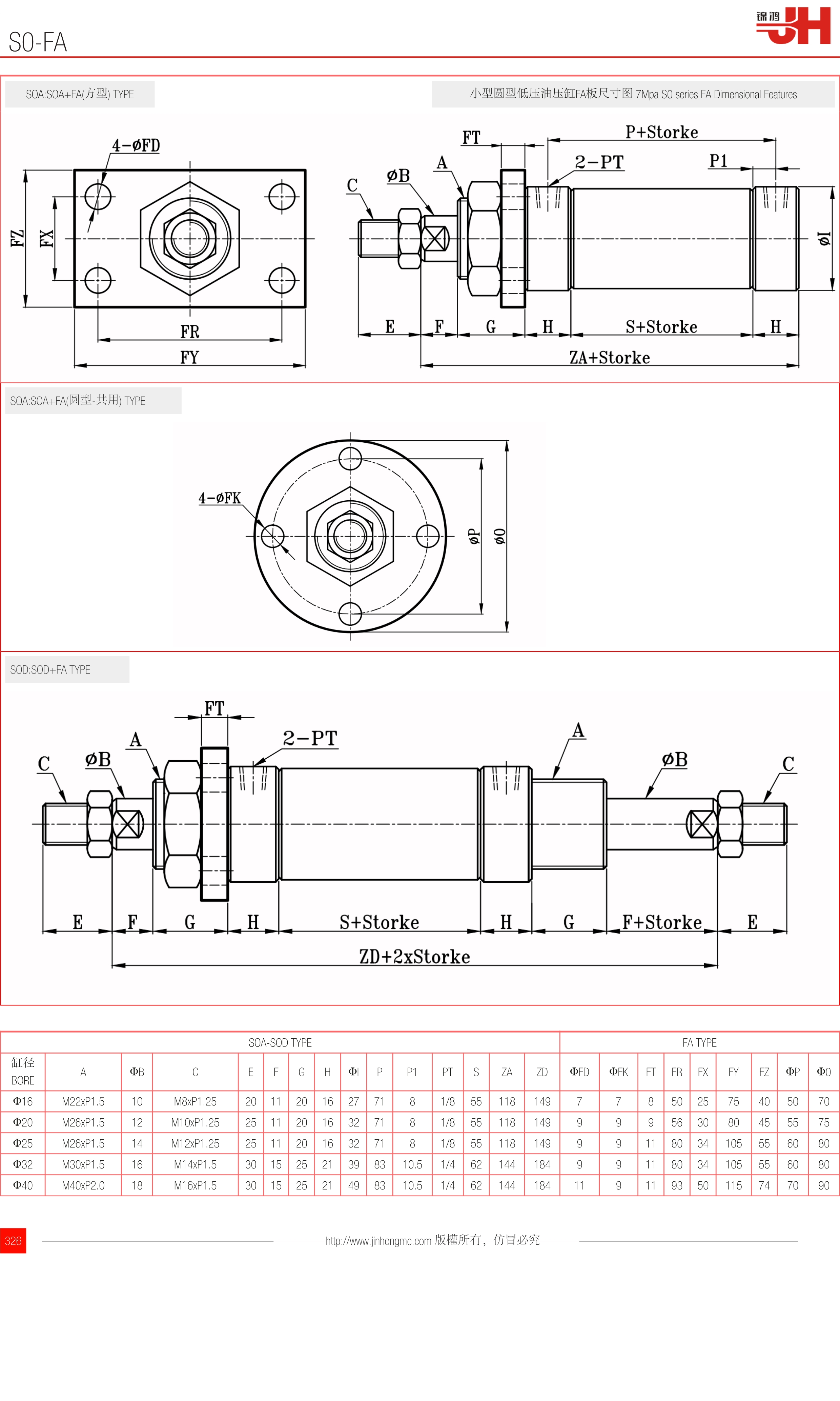
SOA:SOA+FA(方型) TYPE | 小型圓型低壓油壓缸FA板尺寸圖 7Mpa S0 series FA Dimensional Features |
![]() | |
SOA:SOA+FA(圓型-共用) TYPE

SOD:SOD+FA TYPE

| SOA-SOD TYPE | FA TYPE | ||||||||||||||||||||||
| 缸徑 BORE | A | ΦB | C | E | F | G | H | ΦI | P | P1 | PT | S | ZA | ZD | ΦFD | ΦFK | FT | FR | FX | FY | FZ | ΦP | Φ0 |
| Φ16 | M22xP1.5 | 10 | M8xP1.25 | 20 | 11 | 20 | 16 | 27 | 71 | 8 | 1/8 | 55 | 118 | 149 | 7 | 7 | 8 | 50 | 25 | 75 | 40 | 50 | 70 |
| Φ20 | M26xP1.5 | 12 | M10xP1.25 | 25 | 11 | 20 | 16 | 32 | 71 | 8 | 1/8 | 55 | 118 | 149 | 9 | 9 | 9 | 56 | 30 | 80 | 45 | 55 | 75 |
| Φ25 | M26xP1.5 | 14 | M12xP1.25 | 25 | 11 | 20 | 16 | 32 | 71 | 8 | 1/8 | 55 | 118 | 149 | 9 | 9 | 11 | 80 | 34 | 105 | 55 | 60 | 80 |
| Φ32 | M30xP1.5 | 16 | M14xP1.5 | 30 | 15 | 25 | 21 | 39 | 83 | 10.5 | 1/4 | 62 | 144 | 184 | 9 | 9 | 11 | 80 | 34 | 105 | 55 | 60 | 80 |
| Φ40 | M40xP2.0 | 18 | M16xP1.5 | 30 | 15 | 25 | 21 | 49 | 83 | 10.5 | 1/4 | 62 | 144 | 184 | 11 | 9 | 11 | 93 | 50 | 115 | 74 | 70 | 90 |
訂購(gòu):s0-fa