

設計簡單,容易安裝。操作時具有高度的可靠性。
經試驗和測試與Z171可以兩選一使用。
Designed simple,easytoinstall,the height is
adjustable when operating.test proved that
you can choose one from Z170 and Z171

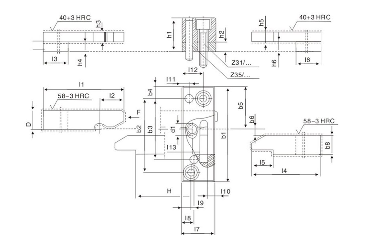
| Type | b1mm | l7mm | b4mm | l11mm | l9mm | l8mm | l12mm | b5mm | l13mm | h2mm | l1mm | b7mm | h3mm | l4mm |
| Z170/1 | 63 | 22 | 8 | 5 | 6 | 8 | 14 | 28.5 | 7 | 6 | 100 | 12.5 | 6 | 125 |
| Z170/2 | 90 | 34 | 13 | 8 | 8 | 18 | 24 | 45 | 16 | 7.5 | 140 | 20 | 12.5 | 160 |
| Z170/3 | 110 | 42 | 15 | 9 | 9 | 22 | 31 | 55 | 20 | 12 | 200 | 25 | 16 | 250 |
訂購:117-鎖模扣 Z170